CTS Turbo Multi-Port Injection Upgrade Kit 980cc for VW/Audi MQB Models (EA888.3)
CTS Turbo Multi-Port Injection Upgrade Kit 980cc for VW/Audi MQB Models (EA888.3) Original price was: 1.054,99 €.Η τρέχουσα τιμή είναι: 799,99 €.
Επιστροφή στα προϊόντα
FUNK MOTORSPORT TITANIUM EXHAUST WRAP 15M X 50MM
FUNK MOTORSPORT TITANIUM EXHAUST WRAP 15M X 50MM Original price was: 99,99 €.Η τρέχουσα τιμή είναι: 89,99 €.

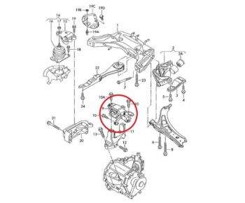
VIBRA TECHNICS ΒΑΣΗ ΣΑΣΜΑΝ VW POLO 9N3-6R-6C GTI / SEAT IBIZA 6L/6J FR – CUPRA

Original price was: 289,99 €.Η τρέχουσα τιμή είναι: 259,99 €.

Σε απόθεμα (επιπλέον μπορεί να ζητηθεί κατόπιν παραγγελίας)

Κωδικός προϊόντος: VAG200M Κατηγορία:
Περιγραφή

This is a significant upgrade to the OEM gearbox mount. It is suitable for all manual transmissions and retains the original battery box fixing. The mount significantly reduces gearbox movement improving gear shift precision and driver feed back without compromising vibration isolation performance. It is suitable for all petrol engine It is also compatible with the DSG gearbox.

ROAD/COMPETITION 

ΚΑΙ ΓΙΑ Dsg!

Επιπλέον πληροφορίες
Βάρος2,5 κ.
Κατασκευαστής
Τοποθετείται σε
  • VW POLO 9N3 GTI 1.8 20VT
  • VW POLO 6C GTI 1.4 TSI
  • VW POLO 6R GTI 1.4TSI
  • SEAT IBIZA 6L 1.8 20VT FR/CUPRA
  • SEAT IBIZA 6J 1.4 TSI FR/CUPRA